ПРОМИСЛОВІ РОБОТИ. МОДЕЛЬ SZGH_M1000-E-6

755 974 грн
Термін поставки 60 робочих днів

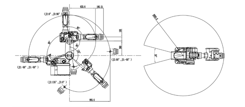
ДІАПАЗОН РУХУ РОБОТА SZGH_M1000-E-6

ФЛАНЦЕВЕ З'ЄДНАННЯ РОБОТА SZGH_M1000-E-6

ПРОМИСЛОВІ РОБОТИ ЗАГАЛЬНОГО ПРИЗНАЧЕННЯ. МОДЕЛЬ SZGH_M1000-E-6

Серія SZGH-M – це 6-осьовий промисловий робот-маніпулятор, що професійно використовується для шліфування, полірування та видалення задирок. Серія SZGH-М є модельним рядом 6-осьових роботів-маніпуляторів, призначених для виконання різних виробничих завдань, включаючи шліфування, полірування, зняття задирок та іншу первинну обробку матеріалів.

SZGH_M1000-E-6 - невеликий 50-кілограмовий промисловий робот-маніпулятор, що відрізняється коротким робочим циклом, великим діапазоном руху, надійною роботою та високою продуктивністю. Робот-маніпулятор SZGH-M1000-E-6 належить до серії 6-осьових шліфувальних роботів-маніпуляторів, призначених для виконання різних виробничих завдань, включаючи шліфування, полірування, зняття задирок з нестандартних заготовок, та іншу первинну обробку матеріалів. Робот-маніпулятор SZGH-M1000-E-6 має вбудований пакет шліфувальних процесів, який може легко виконати конкретне завдання шліфування.

ОБЛАСТЬ ЗАСТОСУВАННЯ. РОБОТ-МАНІПУЛЯТОР МОДЕЛЬ SZGH_M1000-E-6

• Шліфування

• Полірування

• Вилучення задирок

ТЕХНІЧНІ ХАРАКТЕРИСТИКИ РОБОТА SZGH_M1000-E-6

Корисне навантаження
Досяжна відстань
Структура
Кількість осей
Повторюваність
Макс. діапазон руху
Вісь 1
Вісь 2
Вісь 3
Вісь 4
Вісь 5
Вісь 6
Макс. швидкість
Вісь 1
Вісь 2
Вісь 3
Вісь 4
Вісь 5
Вісь 6
Маса
Температура середовища
Тип кріплення
Основа, кронштейн, стеля
50 кг
1000 мм
шарнірно-зчленований
6
±0,08 мм
   
±165°
+128°/-63°
+60°/-75°
±130°
+80°/-220°
±360°
   
148°/сек
148°/сек
148°/сек
222°/сек
148°/сек
148°/сек
≈180кг
5°С~45°С
   
   


Зворотний дзвінок

Зворотний зв'язок

LiveInternet