ПРОМИСЛОВІ РОБОТИ. РОБОТ-МАНІПУЛЯТОР МОДЕЛЬ SZGH HZ2000-B-6

755 974 грн
Термін поставки 60 робочих днів

ДІАПАЗОН РУХУ РОБОТА SZGH HZ2000-B-6

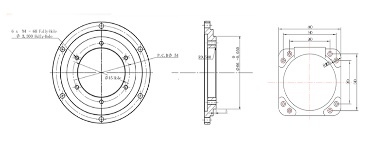
ФЛАНЦЕВЕ З'ЄДНАННЯ РОБОТА SZGH HZ2000-B-6

ПРОМИСЛОВІ ЗВАРЮВАЛЬНІ РОБОТИ. РОБОТ-МАНІПУЛЯТОР МОДЕЛЬ SZGH HZ2000-B-6

Серія SZGH-H є модельним рядом 6-осьових роботів-маніпуляторів, призначених для виконання різних професійних завдань зварювання деталей і вузлів. Різні типи зварювальних робіт можуть бути обрані відповідно до вимог виробництва.

SZGH HZ2000-B-6 - невеликий 6-кілограмовий промисловий зварювальний робот-маніпулятор з позиціонером, що відрізняється коротким робочим циклом, великим діапазоном руху, надійною роботою та високою продуктивністю. Робот-маніпулятор SZGH HZ2000-B-6 належить до серії 6-осьових зварювальних роботів-маніпуляторів, призначених для виконання різних виробничих завдань промислового зварювання. Робот-маніпулятор SZGH HZ2000-B-6 має вбудований пакет зварювальних процесів, який дозволяє виконати конкретне завдання зварювання деталей з високою точністю і повторюваністю. Порівняно з попередніми моделями, має більшу площу основи та більш стійку конструкцію. Одна з осей перерізу повністю закрита, що ефективно запобігає пошкодженню кабелів робота бризками зварювання.

ОБЛАСТЬ ЗАСТОСУВАННЯ. РОБОТ-МАНІПУЛЯТОР МОДЕЛЬ SZGH HZ2000-B-6

• Автомобільна промисловість та локомотиви.

• Виготовлення металевих дверей та вікон.

• Інженерне та гірничодобувне обладнання.

• Виробництво меблів та електроприладів

ТЕХНІЧНІ ХАРАКТЕРИСТИКИ РОБОТА SZGH HZ2000-B-6

Корисне навантаження
Досяжна відстань
Структура
Кількість осей
Повторюваність
Макс. діапазон руху
Вісь 1
Вісь 2
Вісь 3
Вісь 4
Вісь 5
Вісь 6
Макс. швидкість
Вісь 1
Вісь 2
Вісь 3
Вісь 4
Вісь 5
Вісь 6
Маса
Температура середовища
Тип кріплення
Основа, кронштейн, стеля
6 кг
2000 мм
шарнірно-зчленований
6
±0,08 мм
   
±165°
+135°/-70°
+85°/-85°
±150°
+30°/-240°
±360°
   
148°/сек
148°/сек
148°/сек
222°/сек
222°/сек
360°/сек
≈170кг
5°С~45°С
   
   


Зворотний дзвінок

Зворотний зв'язок

LiveInternet